Tegui. Todas las descargas.
Tarjeteros plantilla serie 7
Tegui Serie 7 (Fuente E-30)
Vídeo Portero Digital - 2 Hilos.
Mover a ON solo el ultimo video interfono de la trama de cada montaje. Digamos que en on cierras el circuito.
Adaptador de Vídeo 346830
Alimentador 2 Hilos 346000
Esquema con el adaptador de Video (346830) y el alimentador (346000).
EGF-21 - EGF-30 (Fuente E-34)
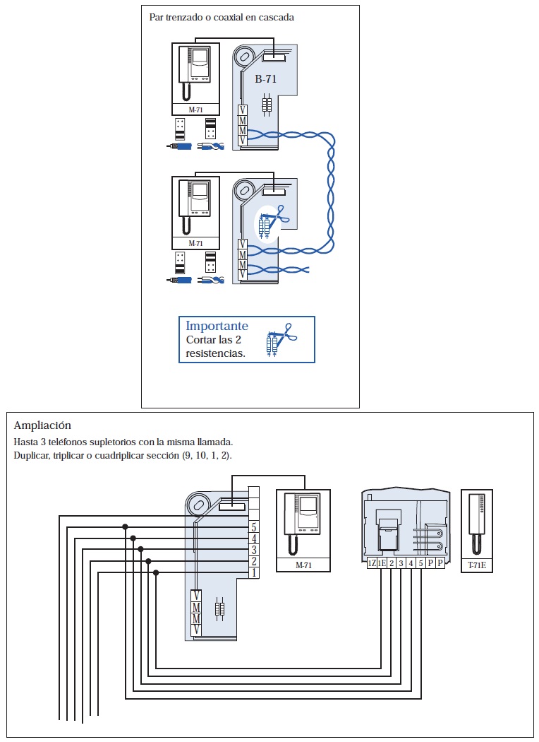
Cuando la señal de video está en cascada es necesario cortar las resistencia, pero si la conexión del par trenzado está paralelo no es necesario.
GOLMAR
FERMAX
FARFISA
AUTA - Decor Analógica
FUENTE ATF 92
Portero digital 2 hilos. Serie 7 tegui. (Fuente E-32).
Configuración placa de calle.
http://www.telecomunicacionesalicante.com/telecomunicaciones/documentacion_porteros_y_videoproteros_auta.html
Posible Averia. Me encontré una persona que había arrancado el telefonillo y unió todos los cables, esto produjo ruidos en la conversación de los demás vecinos y presencia de tensión en la bobina del abre puertas
Tabla equivalencias para telefonillo FERMAX Universal.

























































































Me parece muy buena información técnica sobre videoporteros, ya que es habitual que haya quien quiera comprar videoporteros online y se vea abrumado por todas las marcas y modelos del mercado. ¡Gracias!
ResponderEliminarHola, tendrian el esquema del modelo Tegui Modelo 0E7030, gracias. es el que tiene secreto de las comunicaciones.
ResponderEliminarMuchas Gracias por la información me servio de mucha ayuda!
ResponderEliminar